viy19.ucoz.net
Главная
|
Регистрация
|
Вход
|
RSS
Главная страница
Информация о сайте
Каталог файлов
Каталог статей
Блог
Форум
Фотоальбомы
Гостевая книга
Обратная связь
Сайты
Игры
FAQ
Тесты
Объявления
Категории раздела
Мои фотографии
[75]
Кормушки для птиц
[23]
Мини-чат
Для добавления необходима авторизация
Наш опрос
Оцените мой сайт
Отлично
Хорошо
Неплохо
Плохо
Ужасно
Результаты
|
Архив опросов
Всего ответов:
1
Статистика
Онлайн всего:
1
Гостей:
1
Пользователей:
0
Главная
»
Фотоальбом
»
Мои фотографии
»
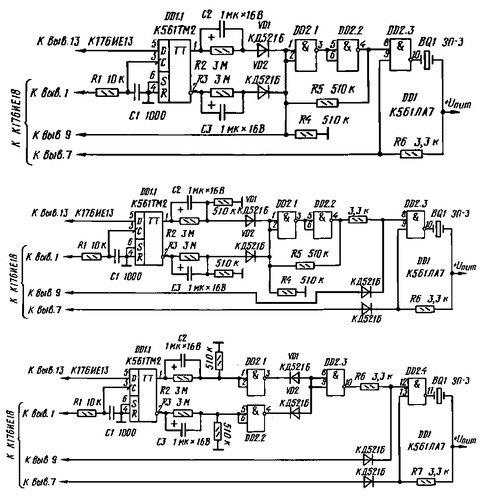
mod
mod
В реальном размере
1024x1063
/ 34.6Kb
13
0
0.0
1
2
3
4
5
Добавлено 07.12.2025
Kosmonavt
Всего комментариев:
0
Войдите:
Отправить
Среда, 25.03.2026, 17:48
Приветствуем вас
Гость
Вход на сайт
Поиск
Друзья сайта
Новости uCoz
Официальный чат сообщества uCoz
База знаний uCoz
Copyright MyCorp © 2026
uCoz